銷售①:13508662630 銷售②:13507271573
公司地址:襄陽市樊城區春園西路賈洼工業園 郵箱:xfycdq@163.com
(1)安裝之前請檢查貨物包裝外部是否損壞。打開包裝以后,請檢查逆變器是否損壞或者缺少配件。(2)確保金屬支架或墻面的承重能力(50kW逆變器重70kg),金屬框......
發布時間:2017-05-13
輸入最大輸入功率56200W最大輸入電壓1000V啟動電壓300V額定輸入電壓620VMPP電壓范圍300~950V滿載MPP電壓范圍500~850VMPPT數......
發布時間:2017-05-13
1.并網逆變器選型并網逆變器是光伏并網發電系統的核心轉換設備,它連接直流側和交流側,需具有完善的保護功能、優質的電能輸出。對逆變器的選型需滿足如下要求:(1)高......
發布時間:2017-05-13
本設計按照谷城縣的氣候條件為設計依據。當地地理及氣象條件:谷城屬亞熱帶季風型大陸氣候過渡區,具有四季分明,氣候溫和,光照充足,熱量豐富,降雨適中,雨熱同季等特點......
發布時間:2017-05-13
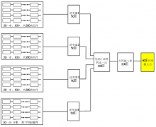
集中式水泥屋頂,電池組件選用260Wp多晶硅電池組件,共鋪設1154塊組件,共60個光伏串列,裝機容量為300kWp,通過原有400V低壓配電母線并網??傮w方案......
發布時間:2017-05-13



(不想等待可點擊按鈕通過QQ進行溝通,或直接電聯。)
關閉